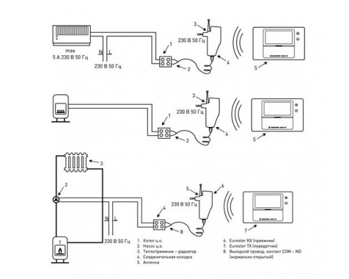
Безпровідний тижневий терморегулятор Euroster 2006TXRX є бездротовим програмованим регулятором температури, що дозволяє дуже нескладним і ефективним способом управляти температурою в приміщеннях. У регуляторі застосовано спрощене, інтуїтивне програмування, з можливістю змін рівня температури без інгеренціі в програму. Застосовуваний в регуляторі Euroster 2006TX датчик надає можливість відліку температури з точністю 0.1 °C і програмування температури з точністю до 0.2 °C. Терморегулятор Euroster 2006TXRX дає можливість роботи джерела тепла з постійною настройкою, тимчасовою зміною температури і налаштуванням захисту від замерзання 5 °C. Радіус дії програматора до 100 метрів на відкритій місцевості і до 30 метрів всередині приміщення.
Програматор працює на трьох рівнях температури: денний, нічний і температури проти замерзання. Денну і нічну температуру можна модифікувати, а температура проти замерзання є постійною величиною. Контролер можна запрограмувати в семиденному циклі, з точністю до 0.5 години, завдяки чому отримуємо можливість змінити рівень температури 48 разів протягом доби. Регулятор дозволяє запрограмувати різні часові інтервали для кожного дня тижня.
Технічні характеристики
Устаткування, що керується: обігрівальні / кондиціонерні системи
Напруга живлення регулятор: 2 лужні батарейки АА, 3 В
Напруга живлення приймач: 230 В, 50 Гц
Максимальна споживана потужність приймача: 1 Вт
Вихід приймача: релейний, без напруги, SPDT
Максимальне навантаження: 5 A 230 В 50 Гц
Максимальний радіус дії: до 30 м (в забудованій місцевості)
Діапазон вимірюваних температур: 0 - 50 °C
Діапазон регулювання температури: 5 - 35 °C
Точність регулювання температури: 0.2 °C
Точність показань температури: 0.1 °C
Гістерезис: 0.4 °C / 1 °C
Візуальна індикація регулятор: дисплей LCD, приймач: світлодіоди LED
Робоча температура: 5 - 45 °C
Температура зберігання: 0 - 65 °C
Ступінь захисту: IP 20
Колір: білий
Спосіб монтажу регулятор: підставка, приймач: розетка 230 В 50 Гц
Вага регулятор без батарейок: 157 г, приймач: 288 г
Норми, сертифікати відповідність директиві R TTE
Розміри регулятор: 138 х 86 х 29 мм
Розміри приймач: 64 х 112 х 68 мм
Комплект поставки
Регулятор Euroster 2006TX з підставкою
Приймач RX
Розпірні дюбелі
Керівництво
Батарейки
Характеристики Безпровідний тижневий терморегулятор Euroster 2006TXRX
Призначення
Для котлів
Для систем опалення
Тип
Терморегулятор
Особливості
Недельный программатор
Додаткові характеристики
Режим антизамерзания: Да
Диапазон регулировки температуры: от 5 до 35 °С
Диапазон измерения температуры(воздух): 0 °C - 50 °C
Максимальный ток нагрузки: 5A 230В 50 Гц
Матеріал
Пластик
Комплектація
Регулятор Euroster 2006TX с подставкой
Приемник RX
Распорные дюбели
Руководство
Батарейки
Габарити (ВхШхГ)
138 х 86 х 29 мм см
Вага
157 г кг
Країна-виробник товару
Польща
Країна реєстрації бренду
Польща
									Програматор працює на трьох рівнях температури: денний, нічний і температури проти замерзання. Денну і нічну температуру можна модифікувати, а температура проти замерзання є постійною величиною. Контролер можна запрограмувати в семиденному циклі, з точністю до 0.5 години, завдяки чому отримуємо можливість змінити рівень температури 48 разів протягом доби. Регулятор дозволяє запрограмувати різні часові інтервали для кожного дня тижня.
Технічні характеристики
Устаткування, що керується: обігрівальні / кондиціонерні системи
Напруга живлення регулятор: 2 лужні батарейки АА, 3 В
Напруга живлення приймач: 230 В, 50 Гц
Максимальна споживана потужність приймача: 1 Вт
Вихід приймача: релейний, без напруги, SPDT
Максимальне навантаження: 5 A 230 В 50 Гц
Максимальний радіус дії: до 30 м (в забудованій місцевості)
Діапазон вимірюваних температур: 0 - 50 °C
Діапазон регулювання температури: 5 - 35 °C
Точність регулювання температури: 0.2 °C
Точність показань температури: 0.1 °C
Гістерезис: 0.4 °C / 1 °C
Візуальна індикація регулятор: дисплей LCD, приймач: світлодіоди LED
Робоча температура: 5 - 45 °C
Температура зберігання: 0 - 65 °C
Ступінь захисту: IP 20
Колір: білий
Спосіб монтажу регулятор: підставка, приймач: розетка 230 В 50 Гц
Вага регулятор без батарейок: 157 г, приймач: 288 г
Норми, сертифікати відповідність директиві R TTE
Розміри регулятор: 138 х 86 х 29 мм
Розміри приймач: 64 х 112 х 68 мм
Комплект поставки
Регулятор Euroster 2006TX з підставкою
Приймач RX
Розпірні дюбелі
Керівництво
Батарейки
Характеристики Безпровідний тижневий терморегулятор Euroster 2006TXRX
Призначення
Для котлів
Для систем опалення
Тип
Терморегулятор
Особливості
Недельный программатор
Додаткові характеристики
Режим антизамерзания: Да
Диапазон регулировки температуры: от 5 до 35 °С
Диапазон измерения температуры(воздух): 0 °C - 50 °C
Максимальный ток нагрузки: 5A 230В 50 Гц
Матеріал
Пластик
Комплектація
Регулятор Euroster 2006TX с подставкой
Приемник RX
Распорные дюбели
Руководство
Батарейки
Габарити (ВхШхГ)
138 х 86 х 29 мм см
Вага
157 г кг
Країна-виробник товару
Польща
Країна реєстрації бренду
Польща
Характеристики
Гарантийный срок
										12 місяців
									Производитель
										Euroster
									Страна производитель
										Польша
									Отзывов: 0
							
							
							
						
 
											 
													 
																																	